Development and simulation of a high-precision MPPT controller for thin-film solar cells
Abstract
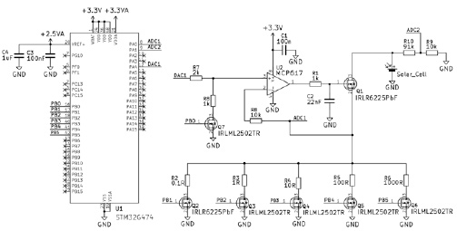
The paper presents circuit implementations of a high-precision MPPT (maximum power point tracking) controller adapted to operate with small samples of thin-film solar cells based on cadmium telluride (CdTe). The implemented circuit showed high stability during experimental studies and can operate with currents from 1 μA to 3 A. The effectiveness of the selected maximum power point tracking algorithm was evaluated using a simulation model based on the pvlib library, which operates on the basis of the five-parameter De Soto model and the MPP incremental conductance tracking algorithm with specified parameters. The simulation results show a tracking efficiency of 97.88% over the year and 99.83% over the day, which ensures high efficiency considering the very low output power levels of thin-film photovoltaic cells.
References
M. Imamzai, M. Aghaei, Y. H. M. Thayoob, and M. Forouzanfar, “A review on comparison between traditional silicon solar cells and thin-film CdTe solar cells,” in Proc. Nat. Graduate Conf., Putrajaya, Malaysia, 2012, pp. 1–5. [Online]. Available: https://surl.li/llqknc
V. Y. Fedenko, R. S. Yavorskyi, A. I. Kashuba, and B. S. Dzundza, “Spectral and temperature properties of solar cells based on cadmium telluride thin-films,” Phys. Chem. Solid State, vol. 26, no. 3, pp. 658–665, 2025. https://doi.org/10.15330/pcss.26.3.658-665.
D. Beriber and A. Talha, “MPPT techniques for PV systems,” in Proc. 4th International Conference on Power Engineering, Energy and Electrical Drives (POWERENG), Istanbul, Turkey, May 2013, pp. 1437–1442. https://doi.org/10.1109/PowerEng.2013.6635721.
M. Y. A. Khan, M. A. Memon, A. H. Memon, A. A. Shah, and A. A. Memon, “Design and analysis of maximum power point tracking (MPPT) controller for PV system,” J. Mech. Continua Math. Sci., vol. 14, no. 1, pp. 276–288, 2019. https://doi.org/10.26782/jmcms.2019.02.00019.
R. B. Bollipo, S. Mikkili, and P. K. Bonthagorla, “Critical review on PV MPPT techniques: classical, intelligent and optimisation,” IET Renew. Power Gener., vol. 14, no. 9, pp. 1433–1452, 2020. https://doi.org/10.1049/iet-rpg.2019.1163.
K. Chen, S. Tian, Y. Cheng, and L. Bai, “An improved MPPT controller for photovoltaic system under partial shading condition,” IEEE Trans. Sustain. Energy, vol. 5, no. 3, pp. 978–985, 2014. https://doi.org/10.1109/TSTE.2014.2315653.
S. Manna, D. K. Singh, A. K. Akella, H. Kotb, K. M. AboRas, H. M. Zawbaa, et al., “Design and implementation of a new adaptive MPPT controller for solar PV systems,” Energy Reports, vol. 9, pp. 1818–1829, 2023. https://doi.org/10.1016/j.egyr.2022.12.152.
U. Yilmaz, A. Kircay, and S. Borekci, “PV system fuzzy logic MPPT method and PI control as a charge controller,” Renew. Sustain. Energy Rev., vol. 81, no. 1, pp. 994–1001, 2018. https://doi.org/10.1016/j.rser.2017.08.048.
D. Haji and N. Genc, “Fuzzy and P&O based MPPT controllers under different conditions,” in Proc. Int. Conf. Renewable Energy Research and Applications (ICRERA), IEEE, 2018, pp. 649–655. https://doi.org/10.1109/ICRERA.2018.8566943.
D. Menniti, A. Burgio, N. Sorrentino, A. Pinnarelli, and G. Brusco, “An incremental conductance method with variable step size for MPPT: Design and implementation,” in Proc. Int. Conf. Electrical Power Quality and Utilisation (EPQU), IEEE, 2009, pp. 1–5. https://doi.org/10.1109/EPQU.2009.5318833.
D. S. Selvan, “Modeling and simulation of incremental conductance MPPT algorithm for photovoltaic applications,” Int. J. Sci. Eng. Technol., vol. 2, no. 7, pp. 681–685, 2013.
pvlib-python documentation, [Online]. Available: https://surl.li/qkttqg.
W. De Soto, S. A. Klein, and W. A. Beckman, “Improvement and validation of a model for photovoltaic array performance,” Solar Energy, vol. 80, no. 1, pp. 78–88, 2006. https://doi.org/10.1016/j.solener.2005.06.010.
H. Tian, F. Mancilla-David, K. Ellis, E. Muljadi, and P. Jenkins, “A cell-to-module-to-array detailed model for photovoltaic panels,” Solar Energy, vol. 86, no. 9, pp. 2695–2706, 2012. https://doi.org/10.1016/j.solener.2012.06.004.
M. N. I. Sarkar, “Effect of various model parameters on solar photovoltaic cell simulation: a SPICE analysis,” Renewables: Wind, Water, and Solar, vol. 3, art. 13, 2016, https://doi.org/10.1186/s40807-016-0035-3.
National Solar Radiation Database (NSRDB), [Online]. Available: https://nsrdb.nrel.gov/data-viewer.
N. Deyneko, A. Zhuravel, L. Mikhailova, E. Naden, A. Onyshchenko, V. Strelets, et al., “Devising a technique to improve the efficiency of CdS/CdTe/Cu/Au solar cells intended for use as a backup power source for the systems of safety and control of objects,” East.-Eur. J. Enterprise Technol., vol. 6, no.5, pp. 21–27, 2020. https://doi.org/10.15587/1729-4061.2020.220489.
Copyright (c) 2025 Vitalii Fedenko, Bogdan Dzundza

This work is licensed under a Creative Commons Attribution 4.0 International License.